800A-2000A current transformer BH-0.72-100 - 800A/1000A/1200A/1500A/2000A/2500A-0.1A/1A/5A
Characteristic:
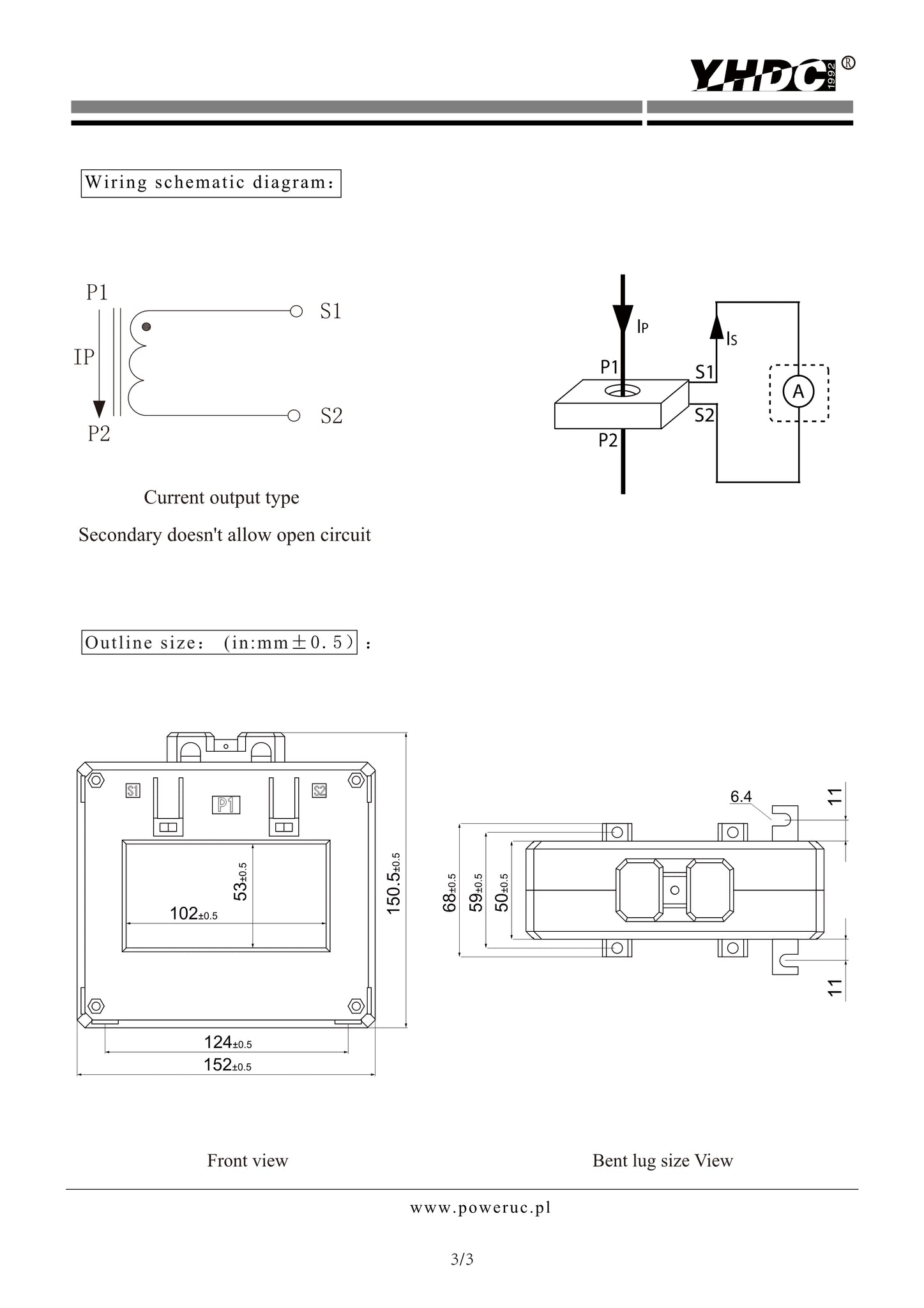
BH-0.72 current transformer are mainly indoor use, rated voltage ≤0.72KV, 50Hz AC current, to measure current or energy or relay protection.
Products are plastic molded CT.
Widely used in the complete sets of cabinets.
Installation can be busbar fixed or bottom plate fixed.
Any direction installation will be OK.
Technical Index:
Mounting type: Busbar / Bottom plate fixed
Core material: Silicon Steel
Flame resistance: UL94-V0
Work voltage: 720V
Working temperature: -20°C ~ +85°C
Storage temperature: -25°C ~ +90°C
Work frequency: 50Hz ~ 60Hz
Dielectric strength: 6KV 50Hz 1min
We Also Recommend
Through core type precision current transformer TA17L Rated input 0-10A;0-20A;0-30A Rated output 0-10mA
Through core type precision current transformer TA1020 Rated input 5A/10A/15A/20A Rated output 5mA/10mA/15mA/20mA


