150A-600A current transformer BCT8041 - 150A 200A 250A 300A 400A 500A 600A - 5A/1A/0.1A
BCT series are the current transformer which are designed for industrial equipment.
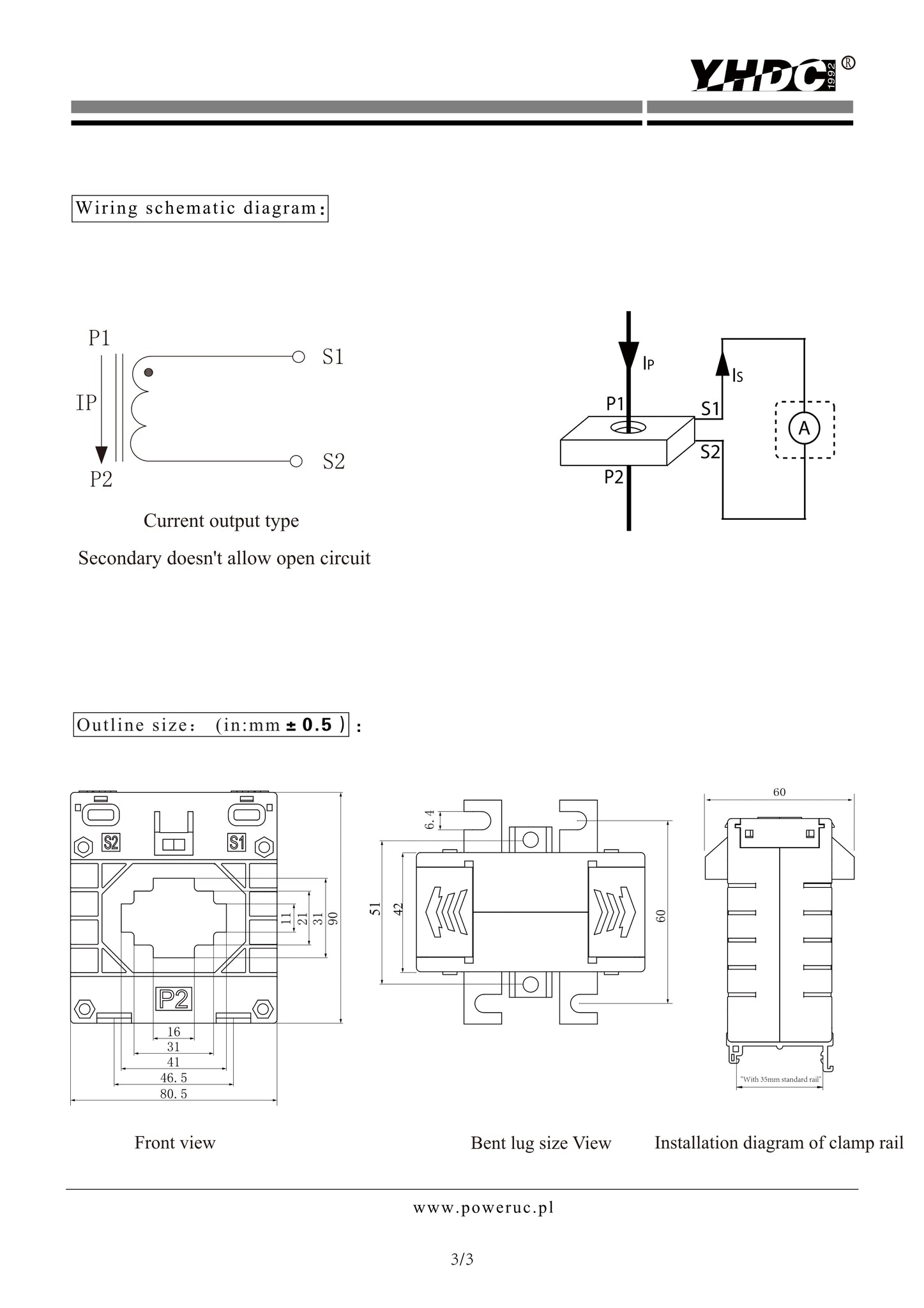
Technical Index:
Mounting type: Sub-plate / suspending / din-rail type
Output current: 0.1A, 1A, 5A (can be customized)
Core material: Silicon Steel Sheet
Installation place: Indoors
Flame resistance: UL94-V0
Working temperature: -20°C ~ +60°C
Storage temperature: -25°C ~ +65°C
Altitude: ≤1000m
Atmospheric conditions: No serious pollution
Dielectric strength: AC 3.5KV/1min 50Hz (secondary/shell)
Electrical Index:



DOWNLOAD
We Also Recommend
Through core type precision current transformer TA17L Rated input 0-10A;0-20A;0-30A Rated output 0-10mA
Regular price
€150
€1,50
Through core type precision current transformer TA1020 Rated input 5A/10A/15A/20A Rated output 5mA/10mA/15mA/20mA
Regular price
€106
€1,06